E-Freeboard Freebord Open source Electric Caster

Im mostly worried about the ability of the bearing to stay in one piece. The load is off center, and if it opens up a bit the balls come off.
If it doesn’t work i plan on using this as a Bolt, and those king of flat bearings. The slipring can go through and you can tighten down on the rotating system.
s-l300
61kBjJle95L.AC_SY450

1 Like

Well guys this is where i am.
I have made pads for the trucks


I have improved the electronic box

And I am stuck on this less than ideal setup for the power transmission.

A bigger pulley on the wheel scraps the ground, and the belts i have are either too short or too long for a different pulley on the motor.
New belts are 10days away.
Maybe a tensioner bearing could be added ?

2 Likes

So the wheel sits too far from the center of the laZ suzan, and the fulcrum tends to split it open.
I wanted to have a bearing just under the weight, so i designed this system around a flat cylinder type bearing.
I wille let you know how it works out.
20200811_193923|690x388, 50%

1 Like

2 Likes

3 Likes

I have yet to test ride it
I will let you know how it behaves

(upload://uJisBRyfucKkHVMTV2BwJKRN7tO.jpeg)

Cheers

4 Likes

yeah I’m interested to see how your design handles the weight, it looks great!

Definitely looking forward to your tests!

Freebord isn’t too far out now…

So i was happy with my latest design, and it worked remarkably well.


It was amazing to feel that, finnally it was working !
For 10minutes.
I was prepared for something to come loose, but a whole truck snapped in half ! Wtf !

2 Likes

SO guys, it seems it was freeboard-destroying time !


Yup. No going back now.
What’s good is that the underside of the deck is flatter.

and it is very good !
What an amazing floating feeling to be able to carve on the road.
It works, but i need to work on the belt transmission. It slips like crazy if i try to accelerate too much.
The rotating pivot always get loose.
I have ordered a set of htd5 pulleys/belts. I might try to solder a L-shaped bracket to the caster for the motor

6 Likes

You could try throwing in a belt tensioner but wider belts would help I bet

hey guys
I have changed the belt system to 15mm wide HTD5. PLA 3D printed pullys for now.
It’s amazing ! i went for the biggest pulley i dared to put, it grinds a bit on the ground on a toe-slides, but it still works.


It completely changed the experience, now you really feel the power. no slips at all.
I took my phone to shoot a video for you all, but while riding i powerslided and the phone fell from my pocket, and i stepped hard on it, grinding it on the concrete. He ded.
This project is turning out to be expensive. i will provide a video with another, more ancient phone ASAP.
anyway I’m happy
improvements to do : the rotating system rattle a bit, i need to tighten everything

3 Likes

Oh I’m so sorry my desire for documentation caused the death of your cellular device. Hope it wasn’t too much or new.

counter steering with a freebord truck for a front wheel :thinking:

I FINALLY ordered the parts to make a prototype.

Design isn’t really done but I need to make a good model of the KFL007 35mm pillow block bearing.
Found this one seller with a good deal shipped from the usa:


I like this seller because I feel like they will have good support.
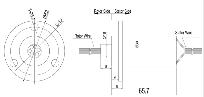
https://mwands.com/180-amp-6-wire-slip-ring-wind-turbine-generators




anyone have questions about this module?

One thing I am not set on is how to get the suspension, I also don’t really know how much force I need but I don’t need a crazy amount I think.

A good thing about the design overall is how almost everything is adjustable or can be easily replaced with another part

2 Likes

kinda get a look at this homebrew slip ring they have going.

slidejumpslide

#drftb electric freeboard kit prototype! the prototype for this kit that will make a standard freeboard ELECTRIC. dude…


1 Like


30mm in diameter, should fit great in a 2mm wall tube inside the 35mm bearing!

I like that I could run one motor or two with the exact same assembly.

like so

1 Like

ripping this image out of an email was very worth it.

2 Likes

I love your passion for this @Fosterqc

3 Likes

haha the giant 35mm pillow bearing actually arrives today! So I can start refining it’s model.

I have already made a slight change to it…


as you can see here in the max suspension height the motor wants to be in the same place as this bolt flange.

I think a good solution anyone could use would be cutting them off and drilling 4 m4 bolt holes instead of 2 m14 bolts.

I think I only need the 35mm od aluminum tube and the 3D printed bits to assemble something… hopefully I can make a belt i have work lol

1 Like

20200911_152130
ok so as you can hopefully tell this is about as straight as where half our conversations on here go
20200911_141131 (1)
wonky



however they are identically fucked not uniquely

This makes me think that the flaw could be measured and adjusted for.

Will toy around when I get something long with a 35mm od.

2 Likes