Yeah that doesn’t look right, it’s not supposed to be big enough to ride
. Might be able to get it over to you tonight (I am GMT) depends when I get home.
No rush buddy, i appreciate it. To be honest, all i really need is a solid few photos so i can model it myself, and using scale get the other dimensions.
Try the mm to in conversion factor to scale it down. I am prone to making this mistake lol.
I.e. Scale it to 3.94 percent and see if it’s perfect.
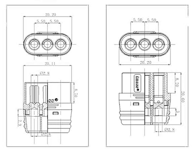
@Zach Pulled from amazon. you can calibrate the image in f360 if you insert it as a canvas.
Thanks guys! Gonna try both and see what works best!
Does anyone have a model of a kegel pulley adapter? A step or other editable file would be preferable.
Those are readily available on thingiverse
The problem with thingiverse is that the usual file people upload are STL’s which are a pain in the ass to work with.
I have never had that problem lol. I have a set of kegel pulleys from thingiverse. Saved files, imported to cura, repositioned print, saved and printed. No hassle.
What are you trying to change?
I want to copy the pattern into fusion for a separate project. I measured off of my wheels so I think I’m good for now.
Oh stls are a pain to work with lol. Do you use tinkercad? Ive found it’s open stls back up for modding.
Great thanks!
I got you man
i have these in my collection 
Female : https://a360.co/2IZdATp
Male : https://a360.co/2JgqqM7



This is great. We should compile a list of step files for esk8. Would save builders a ton of time
Ooh that’s sexy. What’s wrong with me, I’m getting aroused by renders of electrical connectors…
Anybody ever try 3d printing and using tail bones?
Yes, and so far it’s holding up quite well!


